
90%戶型都有的那些“硬傷”,你家中招了嗎?
很多時候,到手的戶型多多少少都有那么些“不盡如人意”的地方,也就是我們俗稱的戶型缺陷。
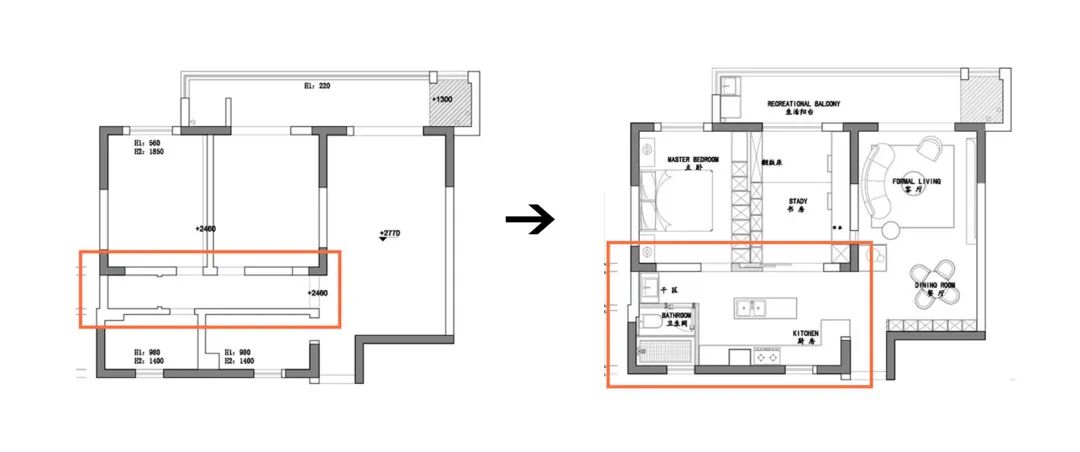
許多業主嫌麻煩,覺得將就將就,能住就行,直到住進去才發現,這個體驗是真的不舒服啊... 為了避免這種狀況發生,我們應在裝修早期就想辦法將缺陷解決掉,讓空間更人性化,更適配我們的需求。本期來看看針對那些常見的戶型硬傷,都有哪些改造的好方法吧~ 開門見廳 入戶無玄關的情況真的太常見了。有時候不僅無玄關,甚至入戶門還直對著衛生間/臥室▼ 這種開門見廳的情況不僅不利于保護居住者的隱私,也會影響到門廳的正常功能布置。 一般我們可以通過增加隔斷來解決,隔斷的形式多種多樣,柜子、玻璃、木格柵...選擇自己喜歡的類型即可。 針對玄關的調整我們也要視具體戶型而定,大家可以參見小鴻之前寫的這篇攻略?入戶無玄關?那咱就造唄 至于入戶門正對衛生間/臥室的情況,我們可以通過更改相應區域的門洞來解決。 礙眼柱梁 外露的梁柱會影響屋子的顏值,還會形成難以利用的雞肋空間,像這種情況的話,就需要我們通過設計去巧妙隱藏或化解,來弱化和消除視覺上的突兀感。 我們可以通過簡單的刷漆,使柱子能更好地融入到周圍環境,再順應屋子的格局延伸出更多的功能,比如吧臺、書桌等,雞肋空間一下子就可以變得不雞肋! 比如,在案例【皇親苑】中,承重柱剛好位于餐廳的位置,比較尷尬,設計師最后是利用了柱子跟另一側墻面之間的空間,布置了餐桌椅以及燈帶,成功打造出這個家的一個核心區,效果是不是很贊呢: 另一個項目【景湖苑】,餐區位置剛好也有一個不可敲的柱子,便利用這塊區域打造出屋主的手辦展示區,并做吧臺的延伸: 【西溪之星】這個95㎡的房子中,客餐廚是一塊大的開放區域,設計師圍繞廚區的這根承重柱,打造了島臺+餐桌的功能: 以及【三塘人家】這戶家庭,客廳中的柱子同樣比較顯眼,最后是利用這塊柱子做出了書架,實現家庭閱讀區的功能: 而關于顯眼的房梁,用吊頂去隱藏是很好的解決方法,弧形的結構讓居室也更有流動感,比如【中天郡府】這家一樣: 房間數量不夠 有時候戶型面積比較小,隔不出太多房間的情況下又想實現更多的生活功能,該怎么辦呢? 這種時候我們就可以按“一室多用”的思路走,讓一個區域承載更多的功能,本身就是對房屋的一種變相擴容哦。 客廳+書房 書房區域如果接受開放式的話,合并到客廳是實用的選擇: 如果擔心隱私性的問題,可以做這種半開放式,有需要的時候就合起來: 客廳+茶室 客廳選擇包進陽臺的話,就等于多出了一塊可利用的區域,有喝茶喜好的小伙伴不妨就將之改造為休閑茶區,就像【大華西溪】這戶人家一樣: 臥室+書房 在臥室規劃一塊單獨的辦公、學習空間也正被越來越多的人所接受,這種設計在動線上來說也十分高效。 客房+收納 房間數量不夠的情況下,客臥基本會跟其他的生活功能相結合,比如收納,比如書房。 狹長過道 過道狹長,利用率低也是一些戶型的硬傷所在。過長的通道不僅讓居室采光變差,還占空間。 【金隅田園】案例中,就有一個特別狹長的過道,嚴重影響了整體戶型的利用率,設計師最后是將兩側的空間打通,并用玻璃隔斷來代替原本的墻體,讓餐廚區的使用更加舒適: 如果過道兩側墻體是承重墻不能敲,就要考慮如何更好地利用走道空間,做收納,做展示其實都可以,還可以做成超級實用的水吧區,洗個手、倒杯水都會很方便▼ (藝術造型) (收納區) (水吧臺) 暗廚暗衛 說起戶型的常見硬傷,又怎么少得了暗衛暗廚呢。其實這兩個性質差不多,都是沒窗戶、不通風、沒采光,當然暗衛比暗廚更糟一點,畢竟水汽多,更易生細菌。 (有時候難以避免的暗衛) 對于暗廚的話,我們可以選擇




























免費
免費申請戶型規劃
專屬設計師免費1對1全程服務
已經有3792人申請
24小時免費咨詢電話
400-8800-618
你家預算
108080元